时事通讯
跟上我们最新的新闻和事件。
输入您的电子邮件并订阅我们的通讯。
2.4寸lcd液晶屏TFT彩屏 40PIN插接接口 方便客户使用及组装 有标准电阻和电容触摸 高亮度 广泛运用于户外手持设备
Read More4.3寸480*272分辨率TFT 有350/500/1000 三种亮度 带标准电阻喝电容触摸,40PIN RGB接口 BOE和CMI 玻璃可选 产品高亮度可支持户外可见 新增AR 抗反射工艺 AG 防眩晕功能 和AF防指纹 多运用于高端智能家居 智能手持终端
Read More4.3寸480*272分辨率TFT 有350/500/1000 三种亮度 带标准电阻喝电容触摸,40PIN RGB接口 BOE和CMI 玻璃可选 产品高亮度可支持户外可见 新增AR 抗反射工艺 AG 防眩晕功能 和AF防指纹 多运用于高端智能家居 智能手持终端
Read More5寸TFT液晶显示屏350nits/500nits/1000nits 三种分辨率可选 有标准RTP和CTP 高亮支持阳光下可读 产品可加ofilm 增加视角 可根据客户要求做AR-防指纹 AF-抗反射 AG-放眩晕效果
Read More5寸TFT液晶显示屏350nits/500nits/1000nits 三种分辨率可选 有标准RTP和CTP 高亮支持阳光下可读 产品可加ofilm 增加视角 可根据客户要求做AR-防指纹 AF-抗反射 AG-放眩晕效果
Read More5寸TFT IPS型720*1280可带TP触摸 可定制支持树莓派MIPI液晶显示屏 超宽视角 高清显示 适用于智能电子产品
Read More|
规格 |
|
|
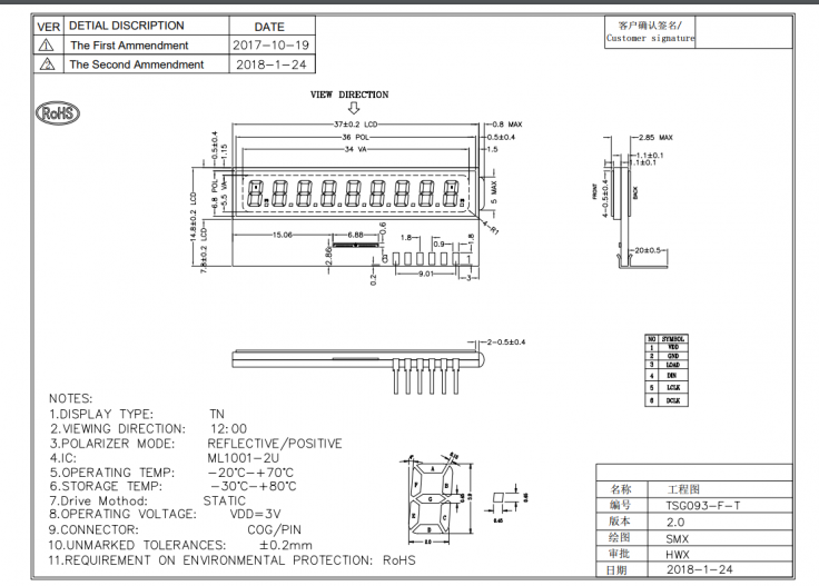
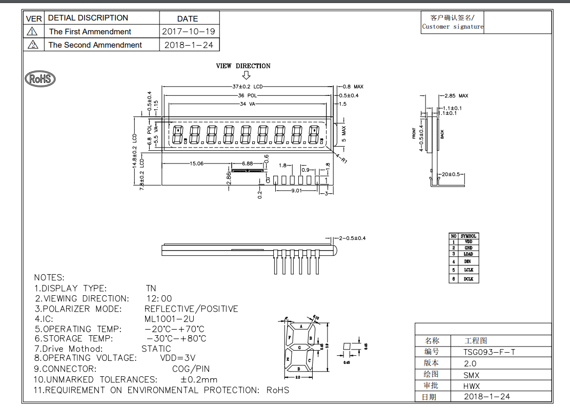
LCD 类型 |
单色定制屏 |
|
尺寸 |
TSG093-F-T |
|
分辨率 |
|
|
外形尺寸 |
37*14.8 |
|
可视尺寸 |
34*5.5 |
|
驱动IC |
ML1001-2U |
|
视角 |
12H |
|
显示类型 |
TN 正显,全透,白 |
|
运行温度 |
-20-70 |
|
储存温度 |
-30-80 |
|
操作电压 |
3V |
|
引脚数 |
6PIN |
|
亮度 |
|
|
背光 |
|
|
接口 |
|
|
是否带触摸 |
否 |
|
质量体系认证 |
ISO9001:2008 ISO/TS16949:2009 |
|
产品认证 |
RoHS |
4.3寸 480*272 ips超宽视角 可定制CTP电容触控 高亮度 医疗工控设备仪器lcd 厂家直销
4.3寸480*272分辨率TFT 有350/500/1000 三种亮度 带标准电阻喝电容触摸,40PIN RGB接口 BOE和CMI 玻璃可选 产品高亮度可支持户外可见 新增AR 抗反射工艺 AG 防眩晕功能 和AF防指纹 多运用于高端智能家居 智能手持终端
4.3寸480*272分辨率TFT 有350/500/1000 三种亮度 带标准电阻喝电容触摸,40PIN RGB接口 BOE和CMI 玻璃可选 产品高亮度可支持户外可见 新增AR 抗反射工艺 AG 防眩晕功能 和AF防指纹 多运用于高端智能家居 智能手持终端
1000亮度高亮 户外 阳光下可读TFT加AR 抗反射 车载导航LCD液晶显示屏 可开模定制电容触控
版权所有 © 2015-2026 深圳市一众科技显示有限公司.所有权利保留.dyyseo.com
友情链接 :
Scan To Wechat
