时事通讯
跟上我们最新的新闻和事件。
输入您的电子邮件并订阅我们的通讯。
2.4寸lcd液晶屏TFT彩屏 40PIN插接接口 方便客户使用及组装 有标准电阻和电容触摸 高亮度 广泛运用于户外手持设备
Read More4.3寸480*272分辨率TFT 有350/500/1000 三种亮度 带标准电阻喝电容触摸,40PIN RGB接口 BOE和CMI 玻璃可选 产品高亮度可支持户外可见 新增AR 抗反射工艺 AG 防眩晕功能 和AF防指纹 多运用于高端智能家居 智能手持终端
Read More4.3寸480*272分辨率TFT 有350/500/1000 三种亮度 带标准电阻喝电容触摸,40PIN RGB接口 BOE和CMI 玻璃可选 产品高亮度可支持户外可见 新增AR 抗反射工艺 AG 防眩晕功能 和AF防指纹 多运用于高端智能家居 智能手持终端
Read More5寸TFT液晶显示屏350nits/500nits/1000nits 三种分辨率可选 有标准RTP和CTP 高亮支持阳光下可读 产品可加ofilm 增加视角 可根据客户要求做AR-防指纹 AF-抗反射 AG-放眩晕效果
Read More5寸TFT液晶显示屏350nits/500nits/1000nits 三种分辨率可选 有标准RTP和CTP 高亮支持阳光下可读 产品可加ofilm 增加视角 可根据客户要求做AR-防指纹 AF-抗反射 AG-放眩晕效果
Read More5寸TFT IPS型720*1280可带TP触摸 可定制支持树莓派MIPI液晶显示屏 超宽视角 高清显示 适用于智能电子产品
Read More产品型号:
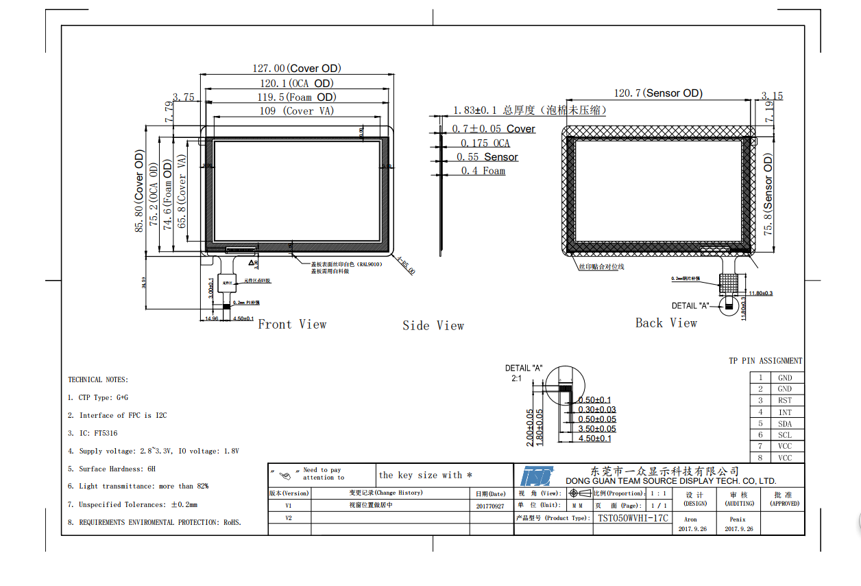
TSC050WVHI-17C尺寸(寸):
5尺寸:
5外形尺寸:
109*65.8可视区域:
127*85.8*1.83接口:
I2C驱动IC:
FT5216其他特点:
多点触摸|
规格 |
|
|
LCD 类型 |
CTP 电容触摸 |
|
尺寸 |
5寸 |
|
分辨率 |
800*RGB*480 |
|
外形尺寸 |
127*85.8*1.83 |
|
可视尺寸 |
109*65.8 |
|
驱动IC |
FT5316 |
|
视角 |
6H |
|
显示类型 |
全透型,白 |
|
运行温度 |
-20-70 |
|
储存温度 |
-30-80 |
|
操作电压 |
2.8-3.3V |
|
引脚数 |
8PIN |
|
亮度 |
200 |
|
背光 |
个灯珠 |
|
接口 |
I2C接口 |
|
是否带触摸 |
CTP |
|
质量体系认证 |
ISO9001:2008 ISO/TS16949:2009 |
|
产品认证 |
RoHS |
上一个:
5寸tft电容触摸屏 G+G结构 可开模定制盖面板 颜色 logo I2C接口 工控标准触摸下一个:
7寸CTP 800*480 插接电容触摸屏 黑色盖板 敦泰FT5446 ic 抗反射CTP电容式触摸屏技术是利用人体的电流感应进行工作的。电容式触摸屏是一块四层复合玻璃屏,玻璃屏的内表面和夹层各涂有一层ITO,最外层是一薄层矽土玻璃保护层,夹层ITO涂层作为工作面,四个角上引出四个电极,内层ITO为屏蔽层以保证良好的工作环境。 当手指触摸在金属层上时,由于人体电场,用户和触摸屏表面形成以一个耦合电容,对于高频电流来说,电容是直接导体,于是手指从接触点吸走一个很小的电流。这个电流分别从触摸屏的四角上的电极中流出,并且流经这四个电极的电流与手指到四角的距离成正比,控制器通过对这四个电流比例的精确计算,得出触摸点的位置。
电容式触摸屏技术是利用人体的电流感应进行工作的。电容式触摸屏是一块四层复合玻璃屏,玻璃屏的内表面和夹层各涂有一层ITO,最外层是一薄层矽土玻璃保护层,夹层ITO涂层作为工作面,四个角上引出四个电极,内层ITO为屏蔽层以保证良好的工作环境。 当手指触摸在金属层上时,由于人体电场,用户和触摸屏表面形成以一个耦合电容,对于高频电流来说,电容是直接导体,于是手指从接触点吸走一个很小的电流。这个电流分别从触摸屏的四角上的电极中流出,并且流经这四个电极的电流与手指到四角的距离成正比,控制器通过对这四个电流比例的精确计算,得出触摸点的位置。
电容式触摸屏技术是利用人体的电流感应进行工作的。电容式触摸屏是一块四层复合玻璃屏,玻璃屏的内表面和夹层各涂有一层ITO,最外层是一薄层矽土玻璃保护层,夹层ITO涂层作为工作面,四个角上引出四个电极,内层ITO为屏蔽层以保证良好的工作环境。 当手指触摸在金属层上时,由于人体电场,用户和触摸屏表面形成以一个耦合电容,对于高频电流来说,电容是直接导体,于是手指从接触点吸走一个很小的电流。这个电流分别从触摸屏的四角上的电极中流出,并且流经这四个电极的电流与手指到四角的距离成正比,控制器通过对这四个电流比例的精确计算,得出触摸点的位置。
电容式触摸屏技术是利用人体的电流感应进行工作的。电容式触摸屏是一块四层复合玻璃屏,玻璃屏的内表面和夹层各涂有一层ITO,最外层是一薄层矽土玻璃保护层,夹层ITO涂层作为工作面,四个角上引出四个电极,内层ITO为屏蔽层以保证良好的工作环境。 当手指触摸在金属层上时,由于人体电场,用户和触摸屏表面形成以一个耦合电容,对于高频电流来说,电容是直接导体,于是手指从接触点吸走一个很小的电流。这个电流分别从触摸屏的四角上的电极中流出,并且流经这四个电极的电流与手指到四角的距离成正比,控制器通过对这四个电流比例的精确计算,得出触摸点的位置。
版权所有 © 2015-2026 深圳市一众科技显示有限公司.所有权利保留.dyyseo.com
友情链接 :
Scan To Wechat
